แค่กดเปิดก็ตัดทันใด Safe T Cut

สอบถามผู้รู้ที่ครับ ผมซื้อเมนแบบเซฟทีคัดของABB 40A
ติดตั้ง เทสระบบปกติดี ทดลองเปิดแอร์ ทีวี พัดลมทุกอย่างปกติ

แต่เจ้ากรรมไปซื้อเครื่องดูดฝุ่น electrolux
รุ่นZ1860 Lite II 1600W

เสียบ กด ตัดทันที (เปิดตัวเดียวทั้งบ้าน)
เลยนำเจ้าเรื่องนี้ไปเทสที่หอพัก เพื่อนโอเคดี (ไม่มีเซฟทีคัส)

ท่านใดพอจะทราบสาเหตุบ้างไหมครับ ช่วยผมที
ว่าเกิดจากอะไร เดียวเย็นนี้ไปถ่ายรูปการต่อมาให้ชมด้วย

By: เล่นในเวลางานเท่านั้น
Since: 3 ธ.ค. 55 16:20:12

33 thoughts on “แค่กดเปิดก็ตัดทันใด Safe T Cut

  1. admin Post author

    ที่ปลั๊กตัวเดียวกัน เสียบอุปกรณ์ไฟฟ้าอื่นๆ แล้วตัดไหม?

    By: นายสันทัด
    Since: 3 ธ.ค. 55 18:45:34

  2. admin Post author

    ตามรูป ครับ
    ด้านข้าง เอบีบี
    ต่อจากสายเมนมาเข้าที่ตู้

    ตัดแม้กระทั้งแอร์ไดกิ้น 12000 บีทียู

    ปลั้กตัวนั้นต่อพัดลมโอเคครับ ผมว่ามันตัดง่ายไป

    By: จขกท (เล่นในเวลางานเท่านั้น)
    Since: 3 ธ.ค. 55 21:03:04

  3. admin Post author

    ย้ายปลั๊กแล้วเป็นไหมครับ

    ปกติเครื่องดูดฝุ่น โอกาสที่จะเกิดไฟรั่วน้อยมาก

    By: กะหล่ำปลีลวกกินกับขนมจีนน้ำยา
    Since: 3 ธ.ค. 55 21:06:20

  4. admin Post author

    คือย้ายปลั้กก็เป็นครับ
    เปิดแอร์ ทีวี เร้าท์เต้อ ตัด
    แอร์ ทีวี ตัด
    เเอร์ ตัอ

    งง ครับ เห้อๆ

    By: จขกท (เล่นในเวลางานเท่านั้น)
    Since: 3 ธ.ค. 55 21:13:46

  5. admin Post author

    อ่านแล้วก็ยิ่งงงครับ ตกลงไฟตัดเมื่อเสียบปลั๊กใช้เครื่องดูดฝุ่น และตามเนื้อหาในกระทู้บอกว่า

    "ทดลองเปิดแอร์ ทีวี พัดลมทุกอย่างปกติ"

    แล้วในความคิดเห็นที่ 6 บอกว่า

    "เปิดแอร์ ทีวี เร้าท์เต้อ ตัด….แอร์ ทีวี ตัด….เเอร์ ตัด"

    By: นายสันทัด
    Since: 3 ธ.ค. 55 22:24:47

  6. admin Post author

    ช่วยให้ข้อมูลเพิ่มหน่อยครับ เอาให้ชัด อย่ากลับไปกลับมา

    ถ้าให้ดีตั้งกระ่ทู้ใหม่ เรียบเรียงดี ๆ หน่อยครับ

    By: mkputon
    Since: 3 ธ.ค. 55 22:49:43

  7. admin Post author

    ขอโทษทีครับ ผมพิพม์บนมือถือมันผิดเยอะ
    ไฟดับ กดในที่มืด

    ตอนนี้มาตั้งหลักใหม่
    คือผมทำการติดตั้งไปเมื่อวานครับ ตอนบ่ายๆ
    ตอนเสร็จก็ไม่ได้ทำอะไรจริงจังแค่กดเทส

    เรื่องมันเกิดขึ้น ตอนไปซื้อเครื่องดูด ฝุ่นตามด้านบน
    ก็จะใช้งานแหละครับ แค่เสีบปลั๊กก็ตัดเลย

    วันนี้เลยมาทดสอบใหม่
    1.เครื่องดูดฝุ่น (1-12-55)—ตัด
    2.โน๊ตบุค เร้าเตอร์ หลอดไฟ ชั้น1 —ไม่ตัด
    3.เร้าเตอร์ ทีวี แอร์ ชั้น2— ตัด
    4.เร้าเตอร์ แอร์ ชั้น2— ตัด

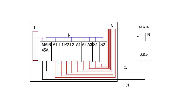
    ต่อตาม ไดอแกรม ครับ
    P = Plug
    L = Light
    A = Air Condition
    S = Shower (hot)

    ตอนนี้มีแอร์ตัวเดียวไม่มีเครื่องทำน้ำอุ่น ครับ

    By: จขกท (เล่นในเวลางานเท่านั้น)
    Since: 3 ธ.ค. 55 23:46:27

  8. admin Post author

    "เรื่องมันเกิดขึ้น ตอนไปซื้อเครื่องดูด ฝุ่นตามด้านบน
    ก็จะใช้งานแหละครับ แค่เสีบปลั๊กก็ตัดเลย

    วันนี้เลยมาทดสอบใหม่
    1.เครื่องดูดฝุ่น (1-12-55)—ตัด
    2.โน๊ตบุค เร้าเตอร์ หลอดไฟ ชั้น1 —ไม่ตัด
    3.เร้าเตอร์ ทีวี แอร์ ชั้น2— ตัด
    4.เร้าเตอร์ แอร์ ชั้น2— ตัด"

    (ไดอะแกรมที่คุณวาดมา คงสลับ L กับ N ด้านขาออก)

    สรุปได้ความว่า
    1 เสียบปลั๊กเครื่องดูดฝุ่นยังไม่ทันกดสวิทช์ให้ทำงานก็ตัดเลย
    2 เปิดแอร์ ตัด
    คาดว่าเปิดทีวี เร้าเตอร์ โดยไม่เปิดแอร์ ก็คงจะไม่ตัด

    ขั้นแรกลองถอดสาย G ออกจาก Ground Bar แล้วทดสอบดูว่าเสียบปลั๊กเครื่องดูดฝุ่นแล้วตัดไหม?

    แล้วจึงมาไล่ดูอย่างอื่นครับ

    By: นายสันทัด
    Since: 4 ธ.ค. 55 07:56:48

  9. admin Post author

    ลอง off breaker ทุกตัว แล้วเอาขึ้นทีละตัวดูครับ
    ดูว่าตัวไหนเอาขึ้นแล้ว RCD ตัดไฟ

    By: กะหล่ำปลีลวกกินกับขนมจีนน้ำยา
    Since: 4 ธ.ค. 55 08:01:57

  10. admin Post author

    คุณ สันทัด
    ขอบคุณมากครับ เดียวต้องรอตอนเย็นก่อนถึงจะทดสอบได้
    รูปที่วาดผิด แต่ต่อจริงไม่สลับครับ
    ถามข้ามขั้นครับ ตอนไปทำได้ลองเลย
    ถ้าถอด Ground Bar ออกติดหรือไม่ติดจะบ่งชี้อะไรหรือตามไปแก้ที่ไหนต่อไปครับ

    คุณ กะหล่ำปลีลวกกินกับขนมจีนน้ำยา
    ผมลองยกที่ละสเต็ป แล้วครับ
    แต่ที่บอกไว้ จะตัดหลังจากทำงานไปแล้วบ้าง
    หรือ เครื่องดูดฝุ่นที่ชั้น 1 แค่เสียบปลั๊ก (เดียวเย็นนี้จะยกไปลองที่ชั้น 2)

    By: จขกท (เล่นในเวลางานเท่านั้น)
    Since: 4 ธ.ค. 55 08:20:49

  11. admin Post author

    สิ่งที่อยากให้เจ้าของกระทู้รับทราบไว้เบื้องต้นคือ

    สาย N หลังจากต่อผ่านเครื่องตัดไฟแล้ว ห้ามสัมผัสกับสาย G หรือไปสัมผัสกับพื้นดิน-ผนัง
    และต้องเดินกลับไปยังเครื่องตัดไฟตัวนั้นๆ โดยตรงครับ

    By: นายสันทัด
    Since: 4 ธ.ค. 55 08:28:50

  12. admin Post author

    คุณ สันทัด
    ผมลองตรวจสายหลัง จากตัวตัดไฟ
    สายก็ตรงเข้าที่ main breaker ครับ
    ไม่ได้สัมผัสอะไร ส่วนกราวด์บาร์
    ที่ดูคร่าวๆ ก็ไม่ได้แตะสำผัสกล่อง
    ยังไง ต้องลองกลับไปถอดดูครับ
    ว่าอาการมีต่างกันไหม

    ขอบคุณมากๆครับ

    By: จขกท (เล่นในเวลางานเท่านั้น)
    Since: 4 ธ.ค. 55 08:35:47

  13. admin Post author

    ลองยกแล้ว เป็นที่เบรกเกอร์ตัวไหนบ้างล่ะครับ
    เพราะจากที่คุณบอกมามันไม่ใช่ไฟจากเบรกเกอร์ตัวเดียวเลย

    1.เครื่องดูดฝุ่น (1-12-55)—ตัด –> เบรกเกอร์เต้ารับชั้นล่างตัวเดียว
    2.โน๊ตบุค เร้าเตอร์ หลอดไฟ ชั้น1 —ไม่ตัด –> อันนี้เป็นเบรกเกอร์สองตัวคือเต้ารับชั้นล่างกับแสงสว่างชั้นล่าง
    3.เร้าเตอร์ ทีวี แอร์ ชั้น2— ตัด –> อันนี้ก็มีเบรกเกอร์เต้ารับชั้น 2 กับเบรกเกอร์แอร์ชั้น 2
    4.เร้าเตอร์ แอร์ ชั้น2— ตัด –> เหมือนกับข้อ 3 ครับ

    ที่ให้ลองนี่คือลองใช้ไฟจากเบรกเกอร์ทีละตัวครับ
    off ตัวอื่นลง เหลือไว้ตัวเดียวแล้วใช้ไฟจากเบรกเกอร์ตัวที่ยกขึ้นไว้นี้ครับ
    แล้วดูว่า RCD ตัดไหม
    ลองทำกับเบรกเกอร์ทุกตัวครับ ถ้าตัดตัวไหน แสดงว่าจุดนั้นมีไฟรั่ว

    By: กะหล่ำปลีลวกกินกับขนมจีนน้ำยา
    Since: 4 ธ.ค. 55 10:39:47

  14. admin Post author

    คุณ กะหล่ำปลีลวกกินกับขนมจีนน้ำยา

    แสดงว่าผมต้องเอาเครื่องดูดฝุ่นไปลองกับทุกปลั๊กทั้งสองชั้น
    ทุกเต้าเสียบเลยใช้ไหมครับ

    ปล.เบลคเกอร์ ปลั๊ก และแสงสว่าง จะมีแค่ชั้นละตัวครับ

    ตย.จากข้อสาม ก็จะเป็นไปได้ว่า รั่ว ได้จากทั้งปลั๊กและแอร์ไหมครับ?
    เพราะ ตอนแรก ผมเปิดทีวี และเร้าท์เตอร์ ที่ชั้นสอง (ปลั๊กคนละจุด)
    แต่ไม่ตัด

    เราพอจะทำให้มาเจาะจงที่แอร์ไหม?
    หรือมันจะรั่วที่จุดปลั๊กชั้น 1 ที่ต่อเครื่องดูดฝุ่นด้วย

    ถ้ารัวจริงมัอุปกรณ์ อย่างอื่นมาใช้ตรวจสอบได้อีกไหมครับ

    By: เล่นในเวลางานเท่านั้น
    Since: 4 ธ.ค. 55 11:08:00

  15. admin Post author

    เข้าใจว่า จขกท นำ RCD มาต่อพ่วงกับตู้เดิมที่ติดตั้งตามมาตรฐาน
    ตู้เดิม ตามมาตรฐาน สายเมน N จะต่อเข้ากับ กราวนด์บาร์ ก่อนเข้าเมนเบรกเกอร์ในตู้
    เมื่อ จขกท ต่อ RCD พ่วงนอกตู้ คิดว่าไม่ได้ย้ายจุดต่อพ่วง กราวนด์บาร์นี้  ดังนั้น เมื่อใช้โหลด กระแส N จะไหลกลับมาที่กราวนด์บาร์ แล้วลงหลักดิน กลับไปที่ต้นทาง ทำให้ RCD มองไม่เห็นกระแสไหลกลับ จึงทำงาน

    วิธีแก้ไข ให้ย้ายจุดพ่วงกราวนด์บาร์ มาต่อกับสายเมน N ก่อนเข้า RCD แทน ส่วนระหว่าง RCD ถึง เมนเบรกเกอร์ในตู้ต้องไม่มีการต่อกับกราวนด์บาร์

    By: loi
    Since: 4 ธ.ค. 55 12:35:24

  16. admin Post author

    ดูจากรูปแล้วเจ้าของกระทู้ไม่ได้พ่วง Ground กับ Neutral คงไม่มีปัญหาเรื่องจุดต่อตามที่คุณ loi ว่า

    ส่วนเรื่อง Neutral ไปสัมผัส Ground ผมไม่ได้หมายถึงที่ตู้เมนเท่านั้น
    สาย N ไม่ว่าที่จุดใดในบ้าน ถ้าลง Ground ก็ทำให้ตัวตัดไฟตัดได้ทั้งนั้น
    เพราะ Neutral หลังเมนเบรกเกอร์ทั้งบ้านต่อถึงกันหมดโดยไม่ต้องเปิดสวิทช์หรือเบรกเกอร์ย่อย

    เคยมีกระทู้หนึ่ง ช่างไฟต่อคร่อม G กับ N ที่เต้ารับตัวเดียวก็มีผลทำให้ไฟที่ต่อผ่านตัวตัดไฟตัดทั้งบ้าน
    บางกรณี ช่างไฟต่อผิดเอาสาย G มาต่อแทนสาย N ถ้าไม่มีตัวตัดไฟก็คงใช้งานได้ แต่พอมีตัวตัดไฟมันก็ตัดทันทีครับ

    …ถามเพิ่มเติม เครื่องดูดฝุ่น เมื่อเสียบปลั๊ก ยังไม่เปิดเครื่อง มีไฟโชว์ หรือมีจอแสดงผลปรากฏเลยหรือเปล่า?

    By: นายสันทัด
    Since: 4 ธ.ค. 55 12:50:07

  17. admin Post author

    ผมไปเช็คกลับช่างไฟในโครงการมาครับ
    เค้าทำการต่อ แบบนี้ครับ
    ที่กราวด์บาห์ มีสายสองสีดำกับเขียว
    ดำ= GND Lot
    เขียว=ทุกปลั๊ก ทุกจุดต่อแอร์แล้วเครื่องทำน้ำอุ่น

    คือ Lและ N วิ่งตรงมาที่ ABB

    ถ้าต่อแบบนี้ ถือ ว่าผิดไหมครับ ต้องเอา N มาไว้ที่กราวด์บาห์ด้วยหรือเปล่า?

    By: จขกท (เล่นในเวลางานเท่านั้น)
    Since: 4 ธ.ค. 55 12:52:00

  18. admin Post author

    ตามแบบนี้ให้ไหมครับ?

    By: จขกท (เล่นในเวลางานเท่านั้น)
    Since: 4 ธ.ค. 55 12:53:53

  19. admin Post author

    ทำไม N ผ่าน MCB แทนที่จะเป็น L

    ลงรูปใหญ่ๆชัดๆจะดีมากครับ

    By: Zionism
    Since: 4 ธ.ค. 55 12:56:15

  20. admin Post author

    ตอบ คุณ สันทัด
    เรื่องเครื่องดูดฝุ่นเป็นไปได้ครับ น่าสงสัย
    เพราะตอนที่เบลคเกอร์ตัด ตอนเสียบปลั๊ก
    มันมีเสียงติด ทำงานทันที
    ปลั๊กที่ผมเสียบ ก็เป็นแบบคู่กัน

    แบบนี้อาจเป็นการเสียบสายที่เต้ารับผิด ใช้ไหม?

    By: จขกท (เล่นในเวลางานเท่านั้น)
    Since: 4 ธ.ค. 55 12:59:50

  21. admin Post author

    ถ้าไม่มีการต่อพ่วง N กับ G ตาม คห 19 ของ นายสันทัด
    และจาก คห 20 ก็น่าจะเป็นอย่างนั้น
    โอกาสที่จะเป็นการต่อสายผิดสลับ N G ที่ปลั๊ก ตามที่ นายสันทัด บอกมา เป็นไปได้มาก ลองตรวจสอบดูนะครับ

    By: loi
    Since: 4 ธ.ค. 55 13:08:44

  22. admin Post author

    เดียวพรุ่งนี้จะเรียก ช่างโครงการมาตรวจสอบ ครับ
    ต้องดูจุดที่ต่อเครื่องดูดฝุ่น ก่อนเลย

    เรื่องสายผิดนี้น่าสนใจมากครับ (ขอบ่น)
    3BB มาต่อ ADSL
    เน็ตไม่วิ่ง สรุปต่อผิดทั้งชั้น 1 & 2 เลย -"- ต้องแกะปลั๊กทำเองเลย

    งั้นเดียวพรุ่งขอไปตรวจสอบก่อน ครับ เดียวมารายงานผลอีกที

    ขอ ขอบคุณ ทุกๆท่านมากครับ
    ที่ช่วยมาแชร์ ไอเดียให้
    ห้องชายคา เป็นที่พึ่งของผมจริงๆอิอิ

    By: แอบมาเล่น 🙂 (เล่นในเวลางานเท่านั้น)
    Since: 4 ธ.ค. 55 13:51:48

  23. admin Post author

    สวัสดีววันพ่อแห่งชาติครับ

    วันนี้ผมได้เริ่มทำการเช็คอีกครั้ง
    โดยเริ่มจาก การปิดเบคเกอร์เช็คทีละชั้น

    พบว่าชั้นสองมีปลั๊กที่มีปัญหา 1 จุด
    เปิดในปลั๊กพบว่าสาย ขั้นไว้หลวมมาก
    น่าจะเกิดการ อาคที่คอนแท็ค ไขแน่น

    ชั้นหนึ่งพบจุดที่มีปัญหา 3 จุด
    แต่ไม่สามารถ แก้ไขดว้ยการไขให้แน่นได้ครับ

    ผมได้ลองยกสายเมนของกราวบาห์ ออก
    ก็ไม่หายครับ

    พี่ๆคิดว่าน่าจะมาจาก การช็อตในการเดินสายไหมครับ?

    ปลั๊กที่ไข แน่นทดสอบด้วยเครื่องดูดฝุ่นครับ

    By: จขกท (เล่นในเวลางานเท่านั้น)
    Since: วันพ่อแห่งชาติ 55 11:33:45

  24. admin Post author

    สวัสดีเจ้าของกระทู้

    ที่ว่าไม่หายคือเสียบปลั๊กเครื่องดูดฝุ่นแล้วไฟตัดใช่ไหม?
    ปลั๊กเครื่องดูดฝุ่นเป็นแบบ 2 ขา หรือ 3 ขา?
    เอาเครื่องดูดฝุ่นเสียบปลั๊กตัวอื่นๆ ก็ตัดเหมือนกันหรือเปล่า?
    เสียบเครื่องใช้ไฟฟ้าอื่นๆ แล้วตัดไหม?

    ถ้าเป็นเฉพาะเครื่องดูดฝุ่นอย่างเดียว เป็นกับปลั๊กทุกตัว คงต้องพิจารณาเครื่องดูดฝุ่น
    ส่วนที่เอาไปเสียบที่บ้านเพื่อนแล้วไม่ตัด เป็นเพราะไฟมันรั่วน้อยมาก เพื่อนคุณไม่มีต้วป้องกันไฟรั่วจึงไม่ตัด

    แอร์ เปิดแล้วตัด เป็นอาการปกติของแอร์บางเครื่อง โดยเฉพาะวันที่ฝนตก

    By: นายสันทัด
    Since: วันพ่อแห่งชาติ 55 17:25:50

  25. admin Post author

    คุุณสันทัดขอบคุณที่มาตอบครับ
    ผมตอบกลับบ้าง
    1.เครื่องดูด ฝุ่นแบบ 2 ขา
    2.ปลั๊กบ้างจุดไม่ตัด(มีปัญหาสามจุด ที่ชั้น1)
    3.ผมใช้ เครื่องดูดฝ่นที่ชั้นสอง ทุกจุดปลั๊ก ไม่มีการตัด
    4.เครื่องใช้ไฟฟ้า อื่นๆยังไม่ได้ลองครับ
    5.วันนี้ปิดลูกย่อยทุกตัว เปิดของแอร์ เท่านั้นไม่ตัด ไดกิ้น 12000 btu

    ครับรบกวน ช่วยหาสาเหตุทีครับ
    ไม่จบซักที เห้อ
    ขอบคุณ ล่วงหน้าครับ

    By: จขกท (เล่นในเวลางานเท่านั้น)
    Since: 6 ธ.ค. 55 00:38:52

  26. admin Post author

    1.เครื่องดูด ฝุ่นแบบ 2 ขา
    2.ปลั๊กบ้างจุดไม่ตัด(มีปัญหาสามจุด ที่ชั้น1)
    3.ผมใช้ เครื่องดูดฝ่นที่ชั้นสอง ทุกจุดปลั๊ก ไม่มีการตัด
    4.เครื่องใช้ไฟฟ้า อื่นๆยังไม่ได้ลองครับ
    5.วันนี้ปิดลูกย่อยทุกตัว เปิดของแอร์ เท่านั้นไม่ตัด ไดกิ้น 12000 btu

    จากข้อ 2 และ 3 น่าจะสรุปได้ว่าเป็นปัญหาที่ปลั๊ก 3 จุดนั้น…
    ….ที่บอกว่าปลั๊ก 3 จุด คุณหมายถึงปลั๊กในกล่อง 3 กล่อง หรือปลั๊ก 3 ตัวในกล่องเดียวกัน?

    ลองเอาเครื่องใช้ไฟฟ้าอื่นเสียบปลั๊ก 3 ตัวนั้น ใช้งานดูว่าตัดไหม ถ้าตัดก็ยืนยันว่าต้องรื้อปลั๊ก 3 ตัวนั้นมาดู
    ดูว่าหลวมเหมือนกันไหม ดูว่าต่อสายมาถูกต้องไหม ฯลฯ

    By: นายสันทัด
    Since: 6 ธ.ค. 55 08:57:36

  27. admin Post author

    คุณ สันทัด

    ครับสามจุด หมายถึงสามกล่อง
    ผมลองแกะออกมาดู แล้วไขให้แน่น
    แต่อาการตัด ก็ไม่หาย ครับ
    ตอนนี้ผมจึง มีข้อสงสัยว่า

    1.มีการสัมผัสกันในสายระหว่างก่อนมาที่ ปลั๊ก
    2.สาย L กับ N ที่ต่อลงมาที่ปลั๊ก สลับกัน
    3.ปลั๊ก สามจุดนั้นเสีย
    ประมาณนี้พอได้ไหม ครับ

    ส่วนเรื่องที่ใช้อุปกรณ์ อย่างอื่น ทดสอบ
    ผมจะลองทดสอบเย็นนี้ครับ

    ขอบคุณมากครับ

    By: จขกท (เล่นในเวลางานเท่านั้น)
    Since: 6 ธ.ค. 55 09:12:20

  28. admin Post author

    เรียนผู้อุปการะคุณ ที่นับถือ

    ขอกราบขอบพระคุณที่ท่านมอบความไว้วางใจเลือกใช้สินค้าของอีเลคโทรลักซ์ มีข้อแนะนำเบื้องต้นเกี่ยวกับการใช้งาน ก่อนกด Start ขอให้ปรับแรงดูดไปที่ตำสุด เมื่อท่านกด Start แล้ว ท่านสามารถเลือกปรับแรงดูด สูง กลาง ตำ ได้ตามที่ท่านต้องการ หรือ ท่านสามารถสอบถามข้อมูลทางเทคนิค ข้อมูลอื่นๆได้โดยตรงที่ ศูนย์บริการลูกค้าอีเลคโทรลักซ์ หมายเลขโทรศัพท์ 02-7259000 ทุกวันตลอด 24 ชั่วโมง

    ขอแสดงความนับถือ
    ศูนย์บริการลูกค้าอีเลคโทรลักซ์

    By: ElectroluxCustomer Care (Electrolux Customer Care)
    Since: 6 ธ.ค. 55 13:13:11

  29. admin Post author

    เพิ่งเห็นว่า Electrolux มาช่วยแนะนำแล้ว

    ลองทำตามคำแนะนำของเขาดูก่อนนะครับ

    By: นายสันทัด
    Since: 6 ธ.ค. 55 15:05:22

  30. admin Post author

    ขอบคุณทาง. Electrolux ครับที่มาแนะนำ
    เดียวจะลองดูเย็นนี้ก่อน

    คุุณ สันทัด
    ผมเพิ่งนึกออก ว่าปลั๊กจุดแรกที่พบ อาการ
    ผมได้เคยเปิดพัดลม ฮาตาริแบบตั้งพื้น
    แต่ไม่มีอาการตัด

    แต่น่าแปลกที่ผมออนเบลคเกอร์ ทั้งหมด
    แล้วเปิดแอร์ตัวเดียวก็ตัดนี้แหละครับ

    งง จิงๆเดียวต้องไล่เช็ค ใหม่อีกที

    By: จขกท (เล่นในเวลางานเท่านั้น)
    Since: 6 ธ.ค. 55 15:35:20

Leave a Reply